森霸傳感LDF001是一款TO?39金屬封裝、單通道數字火焰傳感器,支持開關量輸出和靈敏度可調,通過識別火焰紅外特征實現可靠火焰開關檢測,適用于智能火焰探測和工業安全監控。
火焰探測器
單通道
TO-39封裝
開關量輸出
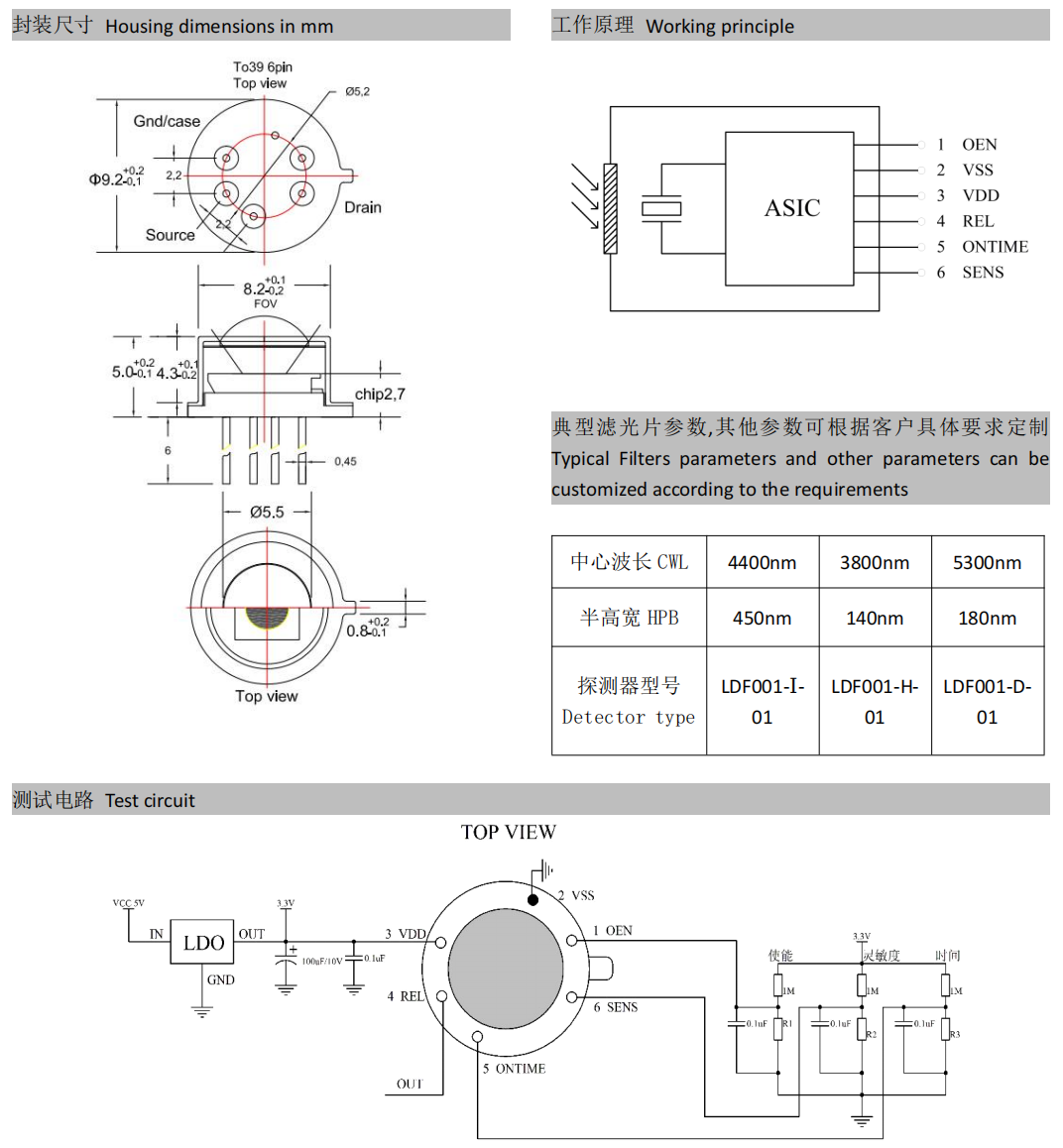
序號 管腳名稱 功能 參數 1 ONE 輸出使能端 高電平(>1.1V)有效,低電平(<0.9V)保持輸出為低電平 2 VSS 電源地 3 VDD 電源3.3V 低電平時輸入電流為9.5uA 4 REL 輸出 有響應時輸出高電平 5 ONTIME 延時控制 ONTIME 可選電壓:1/64 vdd、3/64vdd、5/64vdd 、……、31/64vdd等16檔電壓,延遲時間從1.8秒至1小時范圍可調。 6 SENS 靈敏度控制 SENS可選電壓:1/128vdd、3/128vdd、5/128vdd、……、63/128vdd等32檔電壓,探測距離從幾十米到數厘米范圍可調
| 技術指標 | 符號 | 典型值 | 單位 |
| 窗口尺寸 | Φ5.5 | mm | |
| 敏感區域尺寸 | AS | Φ2.5 | mm |
| 視場角 | FOV | >110 | ° |
| 探測距離(酒精火 0.1m2) | L | >30 | m |
